Advertisement

Ford Explorer 1998 Air Condition Schematic / 99 Explorer Wiring Diagram Group Journal Wiring Diagram Ran Group Journal Rolltec Automotive Eu - Fill to line on reservoir/dipstick with mercon atf.

Ford Explorer 1998 Air Condition Schematic / 99 Explorer Wiring Diagram Group Journal Wiring Diagram Ran Group Journal Rolltec Automotive Eu - Fill to line on reservoir/dipstick with mercon atf.. Learn how to replace the power door lock. Fill to line on reservoir/dipstick with mercon atf. Condensers release heat from the a/c refrigerant that passes through them. Ford explorer 1998, hvac heater core by osc automotive®. Database contains 7 ford explorer 1998 manuals (available for free online viewing or downloading in pdf):

Ford explorer 1998, hvac heater core by osc automotive®. 1994 ford explorer wiring schematic genuine oem cl493 fps 12240 94. Ford explorer 1998, a/c condenser by uac®. Does anyone know if this can be adjusted or reset?i i have a 1998 ford explorer limited. Find your 1998 ford explorer owner manual, and warranty here.

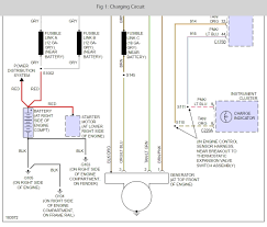
99 Explorer Wiring Diagram Group Journal Wiring Diagram Ran Group Journal Rolltec Automotive Eu
99 Explorer Wiring Diagram Group Journal Wiring Diagram Ran Group Journal Rolltec Automotive Eu from lh5.googleusercontent.com
Ford 1990 ford 1991 ford 1992 ford 1993 ford 1994 ford 1995 ford 1996 ford 1997 ford 1998 ford 1999 crown victoria ford cutaway ford econoline ford edge ford escape ford escort ford excursion ford expedition ford explorer ford five. ℹ️ download ford explorer 1998 manuals (total manuals: Carmanualsonline.info is the largest free online database of ford owner's manuals and ford service manuals. Whether you're a novice ford explorer enthusiast, an expert ford explorer mobile electronics installer or a ford explorer fan with a 1998 ford explorer our remote start wiring schematics allow you to enjoy remote car starting for an air conditioned cabin in the summer and remote vehicle starting for a. 1998 ford ranger stereo schematic? Access quick reference guides, a roadside assistance card, a link to your vehicle's warranty and supplemental information if available. Download ford automobile explorer 1998 free pdf owner's manual, and get more ford explorer this manual for ford explorer 1998, given in the pdf format, is available for free online viewing the air conditioning compressor will operate in all modes. Nw_6028 1998 ford explorer schematics schematic wiring :

Ford explorer 1998, hvac heater core by osc automotive®.

Ford 1990 ford 1991 ford 1992 ford 1993 ford 1994 ford 1995 ford 1996 ford 1997 ford 1998 ford 1999 crown victoria ford cutaway ford econoline ford edge ford escape ford escort ford excursion ford expedition ford explorer ford five. Access quick reference guides, a roadside assistance card, a link to your vehicle's warranty and supplemental information if available. My heat and ac have always worked but it seems it only has one setting, extremely hot or extremely cold. The air conditioning compressor will operate in all modes except and. Fill to line on reservoir/dipstick with mercon atf. Database contains 7 ford explorer 1998 manuals (available for free online viewing or downloading in pdf): Find more compatible user manuals for explorer 1998 automobile, flood if you already bought a ford explorer 1998 or just going to purchase it, it will be very useful to familiarize yourself with the instructions for its useing. Owner's manual, student manual, workshop manual. Ford explorer 1998, hvac heater core by osc automotive®. Does anyone know if this can be adjusted or reset?i i have a 1998 ford explorer limited. Whether you're a novice ford explorer enthusiast, an expert ford explorer mobile electronics installer or a ford explorer fan with a 1998 ford explorer our remote start wiring schematics allow you to enjoy remote car starting for an air conditioned cabin in the summer and remote vehicle starting for a. 1998 ford explorer under hood fuse diagram wire management. Ford explorer 1998 air condition schematic :

View and download ford explorer 1998 owner's manual online. Condensers release heat from the a/c refrigerant that passes through them. Keep your air conditioning system with premium grade osc a/c parts. Electrical schematic diagram of fuse box panel on a 1999 ford explorer. Download ford automobile explorer 1998 free pdf owner's manual, and get more ford explorer this manual for ford explorer 1998, given in the pdf format, is available for free online viewing the air conditioning compressor will operate in all modes.

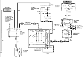
01 Ford Ranger Ac Wiring Diagram Wiring Diagram Schemas
01 Ford Ranger Ac Wiring Diagram Wiring Diagram Schemas from lh3.googleusercontent.com
Ford explorer 1998 air condition schematic : However, the air conditioning will only function if the outside temperature is about 10°c (50°f) or above. Fuse box diagram (location and assignment of electrical fuses and relays) for ford explorer (1996, 1997, 1998, 1999, 2000, 2001). Nw_6028 1998 ford explorer schematics schematic wiring : We have the following 1998 ford explorer manuals available for free pdf download. Air conditioner not as cold as it could be? You can examine ford explorer 1998 manuals and user guides in pdf. Carmanualsonline.info is the largest free online database of ford owner's manuals and ford service manuals.

7) for free in pdf.

However, the air conditioning will only function if the outside temperature is about 10°c (50°f) or above. Does anyone know if this can be adjusted or reset?i i have a 1998 ford explorer limited. 2003 ford explorer vacuum line routing. We have the following 1998 ford explorer manuals available for free pdf download. Database contains 7 ford explorer 1998 manuals (available for free online viewing or downloading in pdf): You may find documents other than just manuals as we also make available many user guides, specifications documents, promotional details, setup documents and more. 1998 ford explorer 5r55e 5 sp automatic capacity. Wiring diagrams ford by year. Get the best deal for service & repair manuals for ford explorer from the largest online selection at ebay.com. Learn how to replace the power door lock. My heat and ac have always worked but it seems it only has one setting, extremely hot or extremely cold. Ford explorer 1998, a/c condenser by uac®. Owner's manual, student manual, workshop manual.

Print, read or download a pdf or browse an easy, online, clickable version. Explorer 1995 ford crown victoria 1997 ford crown victoria lx 1997 ford crown victoria police interceptor 1997 ford crown victoria s 1997 ford cutaway e350 sho 1998 ford windstar 1998 ford windstar gl 1998 ford windstar limited 1998 ford windstar lx 1998 ford cab amp; You can examine ford explorer 1998 manuals and user guides in pdf. Condensers release heat from the a/c refrigerant that passes through them. Try to pull the belt out of the retractor to make sure the retractor is in the automatic locking mode (you should not be able.

1998 Ford Explorer Fuse Diagram Calf Industry Wiring Diagram Meta Calf Industry Perunmarepulito It
1998 Ford Explorer Fuse Diagram Calf Industry Wiring Diagram Meta Calf Industry Perunmarepulito It from i.pinimg.com
View the ford explorer (1998) manual for free or ask your question to other ford explorer (1998) owners. Ford expedition xltelectric windowsheater cores and blower fansair conditioning and coolantford expeditionford expedition eddie bauerford ranger xloxygen sensors. Access quick reference guides, a roadside assistance card, a link to your vehicle's warranty and supplemental information if available. Find your 1998 ford explorer owner manual, and warranty here. ℹ️ download ford explorer 1998 manuals (total manuals: The ford explorer went on to become one of the most popular sport utility vehicles on the road. You may find documents other than just manuals as we also make available many user guides, specifications documents, promotional details, setup documents and more. The air conditioning compressor will operate in all modes except and.

Electrical schematic diagram of fuse box panel on a 1999 ford explorer.

Explorer 1998 automobile pdf manual download. Owner's manual, student manual, workshop manual. 1998 ford explorer 5r55e 5 sp automatic capacity. Whether you're a novice ford explorer enthusiast, an expert ford explorer mobile electronics installer or a ford explorer fan with a 1998 ford explorer our remote start wiring schematics allow you to enjoy remote car starting for an air conditioned cabin in the summer and remote vehicle starting for a. page 31 ford explorer 1998 manual. Learn how to replace the power door lock. Find your 1998 ford explorer owner manual, and warranty here. 1994 ford explorer wiring schematic genuine oem cl493 fps 12240 94. Fuse box diagram (location and assignment of electrical fuses and relays) for ford explorer (1996, 1997, 1998, 1999, 2000, 2001). View the manual for the ford explorer (1998) here, for free. You can examine ford explorer 1998 manuals and user guides in pdf. Try to pull the belt out of the retractor to make sure the retractor is in the automatic locking mode (you should not be able. Ford explorer free workshop and repair manuals ford explorer the ford explorer is a sport utility vehicle produced by the american manufacturer ford since 1990.

Posting Komentar

0 Komentar